مجموعه دیتیل های منتخب از کتاب دیتیل های سازه فولادی انجمن سازه فولادی آمریکا بخش سوم

مجموعه دیتیل های منتخب از کتاب دیتیل های سازه فولادی انجمن سازه فولادی آمریکا بخش سوم

مجموعه دیتیل های منتخب از کتاب دیتیل های سازه فولادی انجمن سازه فولادی آمریکا  بخش سوم

مجموعه ای از عکس های منتخب از کتاب فوق که در آن دیگر هیچ حرف و حدیثی نمی توان آورد و مرجع همه سازه های فولادی است. نهایت استفاده را از دیتیل ها ببرید در امور طراحی، نقشه کشی و اجرایی در سازه فولادی.

AISC - Detailing for Steel Construction, 3rd Edition Selected Images 2009

3rd Edition of Detailing for Steel Construction, which covers structural steel detailing conventions. It is keyed to ANSI/AISC 360-05, Specification for Structural Steel Buildings, and ANSI/AISC 341-05, Seismic Provisions for Structural Steel Buildings. Topics include:

  • general fabrication requirements
  • contract documents
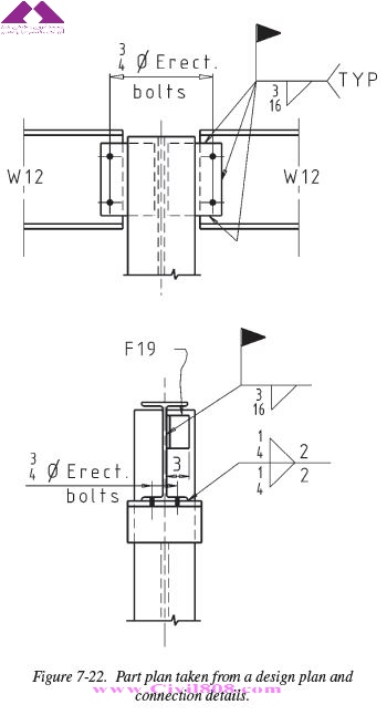
  • common connection details
  • basic detailing conventions
  • project setup and control
  • erection drawings
  • shop drawings
  • bills of materials
  • detailing quality control and assurance
    • Publisher: Aisc; 3rd Edition edition (2010)
    • Language: English
    • ISBN-10: 1564240592
    • ISBN-13: 978-1564240590
مجموعه دیتیل های منتخب از کتاب دیتیل های سازه فولادی انجمن سازه فولادی آمریکا  بخش سوم
مجموعه دیتیل های منتخب از کتاب دیتیل های سازه فولادی انجمن سازه فولادی آمریکا  بخش سوم
مجموعه دیتیل های منتخب از کتاب دیتیل های سازه فولادی انجمن سازه فولادی آمریکا  بخش سوم
مجموعه دیتیل های منتخب از کتاب دیتیل های سازه فولادی انجمن سازه فولادی آمریکا  بخش سوم
مجموعه دیتیل های منتخب از کتاب دیتیل های سازه فولادی انجمن سازه فولادی آمریکا  بخش سوم
مجموعه دیتیل های منتخب از کتاب دیتیل های سازه فولادی انجمن سازه فولادی آمریکا  بخش سوم
مجموعه دیتیل های منتخب از کتاب دیتیل های سازه فولادی انجمن سازه فولادی آمریکا  بخش سوم
مجموعه دیتیل های منتخب از کتاب دیتیل های سازه فولادی انجمن سازه فولادی آمریکا  بخش سوم
مجموعه دیتیل های منتخب از کتاب دیتیل های سازه فولادی انجمن سازه فولادی آمریکا  بخش سوم
مجموعه دیتیل های منتخب از کتاب دیتیل های سازه فولادی انجمن سازه فولادی آمریکا  بخش سوم
مجموعه دیتیل های منتخب از کتاب دیتیل های سازه فولادی انجمن سازه فولادی آمریکا  بخش سوم
مجموعه دیتیل های منتخب از کتاب دیتیل های سازه فولادی انجمن سازه فولادی آمریکا  بخش سوم
مجموعه دیتیل های منتخب از کتاب دیتیل های سازه فولادی انجمن سازه فولادی آمریکا  بخش سوم
مجموعه دیتیل های منتخب از کتاب دیتیل های سازه فولادی انجمن سازه فولادی آمریکا  بخش سوم
مجموعه دیتیل های منتخب از کتاب دیتیل های سازه فولادی انجمن سازه فولادی آمریکا  بخش سوم
مجموعه دیتیل های منتخب از کتاب دیتیل های سازه فولادی انجمن سازه فولادی آمریکا  بخش سوم
مجموعه دیتیل های منتخب از کتاب دیتیل های سازه فولادی انجمن سازه فولادی آمریکا  بخش سوم
مجموعه دیتیل های منتخب از کتاب دیتیل های سازه فولادی انجمن سازه فولادی آمریکا  بخش سوم
مجموعه دیتیل های منتخب از کتاب دیتیل های سازه فولادی انجمن سازه فولادی آمریکا  بخش سوم
مجموعه دیتیل های منتخب از کتاب دیتیل های سازه فولادی انجمن سازه فولادی آمریکا  بخش سوم
مجموعه دیتیل های منتخب از کتاب دیتیل های سازه فولادی انجمن سازه فولادی آمریکا  بخش سوم
مجموعه دیتیل های منتخب از کتاب دیتیل های سازه فولادی انجمن سازه فولادی آمریکا  بخش سوم
مجموعه دیتیل های منتخب از کتاب دیتیل های سازه فولادی انجمن سازه فولادی آمریکا  بخش سوم
مجموعه دیتیل های منتخب از کتاب دیتیل های سازه فولادی انجمن سازه فولادی آمریکا  بخش سوم
مجموعه دیتیل های منتخب از کتاب دیتیل های سازه فولادی انجمن سازه فولادی آمریکا  بخش سوم
مجموعه دیتیل های منتخب از کتاب دیتیل های سازه فولادی انجمن سازه فولادی آمریکا  بخش سوم
مجموعه دیتیل های منتخب از کتاب دیتیل های سازه فولادی انجمن سازه فولادی آمریکا  بخش سوم
مجموعه دیتیل های منتخب از کتاب دیتیل های سازه فولادی انجمن سازه فولادی آمریکا  بخش سوم
مجموعه دیتیل های منتخب از کتاب دیتیل های سازه فولادی انجمن سازه فولادی آمریکا  بخش سوم
مجموعه دیتیل های منتخب از کتاب دیتیل های سازه فولادی انجمن سازه فولادی آمریکا  بخش سوم

صفحه‌ها