پیغام خطا

  • Notice: Undefined index: download_link در theme_mediaelement_audio() (خط 119 از /home/civilcom/domains/civil808.com/public_html/sites/all/modules/mediaelement/mediaelement.module).
  • Notice: Undefined index: download_link در theme_mediaelement_audio() (خط 119 از /home/civilcom/domains/civil808.com/public_html/sites/all/modules/mediaelement/mediaelement.module).

قاب خمشی، Moment Frame

قاب خمشی، Moment Frame

قاب خمشی، Moment Frame

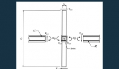
قاب خمشی مقاوم یک مجموعه‌ی مستطیلی از تیرها و ستون‌ها است که در آن تیرها به شکل صلب به ستون‌ها متصل شده است. در این سیستم، نیروهای جانبی توسط عملکرد خمشی، برشی و محوری تیرها و ستون‌ها تحمل و به شالوده ساختمان منتقل می‌شود. قاب‌های خمشی بر اساس میزان شکل‌پذیری خود به قاب‌های خمشی ویژه، قاب‌های خمشی متوسط و قاب‌های خمشی معمولی تقسیم می‌شوند. قاب‌های خمشی ویژه دارای شکل‌پذیری زیاد، قاب‌های خمشی متوسط دارای شکل‌پذیری متوسط و قاب‌های خمشی معمولی دارای شکل‌پذیری محدود هستند.

مقاومت در برابر نیروهای جانبی در درجه اول توسط عمل قاب صلب فراهم شده است. این امر با توسعه‌ی لنگر خمشی و نیروی برشی در اعضا و اتصالات قاب انجام می‌شود. با توجه به خاصیت اتصالات تیر-ستون صلب، یک قاب خمشی نمی‌تواند بدون خم شدن تیر یا ستون بسته به شکل هندسی اتصال، جایگزین شود. بنابراین مقاومت و سختی خمشی اعضای قاب منشا اصلی سختی و مقاومت جانبی برای کل قاب است.

زمین‌لرزه‌ی نورث‌ریج در سال ۱۹۹۴ پرده از یک نقص رایج در ساختمان قاب فولادی- اتصالات خمشی ضعیف جوش داده شده- برداشته شد، کدهای ساختمانی برای تقویت آنها تجدید نظر شد.

قاب‌های خمشی در اثر زلزله‌های شدید باید قادر باشند ضمن تجربه‌ی تغییر شکل‌های نسبی طبقات بدون انهدام در تیرها و ستون‌های خود، نیروهای جانبی را تحمل کرده و انتقال دهند. قاب‌های خمشی به دلیل سختی (صلبیت) محدود، هنگامی که تحت اثر نیروهای شدید قرار می‌گیرند، تغییر شکل‌های نسبی نسبتا زیادی را تجربه می‌کنند که این امر احتمال انهدام ترد در اعضای غیرباربر لرزه‌ای نظیر جداکننده‌ها، دیوارهای خارجی و راه‌پله‌ها را افزایش می‌دهد.

از مزایای قاب‌های خمشی می‌توان به عدم محدودیت این سیستم در ایجاد فضاهای ارتباطی در طبقات ساختمان اشاره کرد که این امر برای مهندسان معمار مطلوب است.

هر چند دلایل متعددی برای عملکرد مناسب و اقتصادی سیستم قاب‌های خمشی وجود دارد، ولی انعطاف‌پذیری این سیستم و امکان وقوع تغییر شکل‌های بزرگ، کاربری این سیستم را در مواردی با محدودیت مواجه می‌کند.

تاریخچه:

قاب‌های خمشی مقاوم فولادی بیشتر از صد سال است که بعد از اولین استفاده از سازه فولادی در صنعت ساختمان در حال استفاده است. استفاده از ساختمان فولادی با قاب که بارهای عمودی را تحمل کند، با ساختمان بیمه در شیکاگو شروع شد. این ساختمان یک سازه ۱۰ طبقه بود که در سال ۱۸۸۴ با ارتفاع ۱۳۸ فوت ساخته شد و در آن زمان به عنوان اولین آسمان‌خراش دنیا شناخته می‌شد. این و دیگر ساختمان‌های بلند در شیکاگو، نسل کامل ساختمان‌های بلند که با قاب‌های فولادی باربر با پشتیبانی کف‌های بتنی و باربری بدون بارگذاری و دیوارهای غیرمسلح فاضلاب در اطراف خود را پایه‌ریزی کردند. برای قاب‌بندی در این سازه‌های اولیه معمولا از شکل‌های «H» ساخته شده از صفحات و مقاطع «L» و «Z» استفاده می‌شد.

منبع: Wikipedia، کتاب طراحی سازه های فولادی، دکتر مجتبی ازهری و دکتر سید رسول میرقادری

مترجم و تهیه‌کننده: محبوبه پوریوسفی

فیلم

اخبار

محصول

فیلم آموزش نرم افزار OpenSees- بخش دوم - مدلسازی و تحلیل قاب خمشی بتن مسلح
فروشگاه
تخفیفات دوره ای
تخفیف 40درصد
temp
قیمت: 150,000 تومان
150,000 تومان
کاتالوگ: 
فیلم های آموزشی
موسسه آموزشی 808
 اتصالات پیش پذیرفته برای قاب های خمشی فولادی ویژه و متوسط در کاربردی های لرزه ای
فروشگاه
تخفیف 20 درصد
قیمت: 120,000 تومان
120,000 تومان
نا موجود
کاتالوگ: 
کتاب
عمران
سازه
زلزله
سایر
کمک آموزشی
فیلم آموزشی اصول مدلسازی قاب خمشی فولادی در برنامه SeismoStruct بصورت سه بعدی تحت بارگذاری سیکلی
فروشگاه
تخفیفات دوره ای
تخفیف 40درصد
temp
قیمت: 112,500 تومان
112,500 تومان
کاتالوگ: 
فیلم های آموزشی
عمران
سازه
موسسه آموزشی 808
قسمت 5: مدل سازی قاب خمشی بتنی و انجام تحلیل های پوش اور، تاریخچه زمانی غیرخطی و IDA
فروشگاه
temp
قیمت: 195,000 تومان
195,000 تومان
کاتالوگ: 
فیلم های آموزشی
عمران
موسسه آموزشی 808
آموزش نرم افزار
قسمت 9: مدل سازی قاب خمشی فولادی دارای میراگرهای تسلیم شونده
فروشگاه
temp
قیمت: 180,000 تومان
180,000 تومان
کاتالوگ: 
فیلم های آموزشی
عمران
موسسه آموزشی 808
آموزش نرم افزار
فیلم آموزش گام به گام طراحی یک سازه بتنی با سیستم قاب خمشی به همراه فونداسیون نواری در ETABS ، SAFE 2016
قیمت: 150,000 تومان
150,000 تومان
کاتالوگ: 
فیلم های آموزشی
عمران
سازه
بتن و سازه های بتنی
موسسه آموزشی 808
آموزش نرم افزار
کمک آموزشی
فیلم آموزش طراحی گام به گام ساختمان مسکونی باسیستم قاب خمشب بتنی متوسط و دیوار برشی با شکل پذیری متوسط
قیمت: 675,000 تومان
675,000 تومان
کاتالوگ: 
فیلم های آموزشی
عمران
سایر
موسسه آموزشی 808
آموزش نرم افزار
کمک آموزشی
نکاتی در مورد طراحی سازه های فولادی با سیستم قاب خمشی در نرم افزار ETABS2016
قیمت: 108,000 تومان
108,000 تومان
کاتالوگ: 
فیلم های آموزشی
عمران
سازه
فولاد و سازه های فولادی
موسسه آموزشی 808
کمک آموزشی
قیمت: 60,000 تومان
60,000 تومان
نا موجود
کاتالوگ: 
کتاب
عمران
غیر قابل دانلود (برای فیلم های آموزشی و سایر)
فیلم آموزشی آشنایی با نکات مدلسازی و طراحی انواع فونداسیون بر اساس ضوابط مبحث نهم ویرایش 99 و ACI319-19 در نرم افزارهای ETABS2019&2020 و SAFE2016&2020
قیمت: 330,000 تومان
330,000 تومان
کاتالوگ: 
فیلم های آموزشی
عمران
سازه
بتن و سازه های بتنی
موسسه آموزشی 808
آموزش نرم افزار

پرسش و پاسخ

عکس کاربر
2 پاسخ
ارزیابی عضو نیرو کنترل در نرم افزار SAP
سلام. همانطور که می دونید در ستون قاب خمشی با نیروی محوری بیش از نصف ظرفیت فشاری،خمش از نوع نیرو کنترل میشه و طبق نشریه ۳۶۰ باید رابطه ای رو چک کرد. سوال من از شما این چطور میشه این رابطه رو چک کرد؟ چون بصورت دستی برای هر ستون جداگانه واقعا زمانبر هست. ممنون میشم راهنماییم کنید تصویر به پیوست ارسال شده است.

مشاوران این تخصص

کاربران

اشتراک در RSS - قاب خمشی، Moment Frame